Wednesday, October 2nd, 2013 AT 7:44 AM
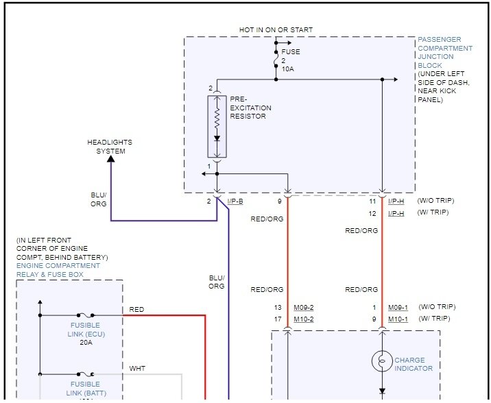
My battery light came on in my 2005 hyundai elantra, so I got a new battery. The positive was too corroded to save. So, I clipped off the positive terminal and replaced it with a generic top clamp. It didn't have the dome or a specific place to screw in the other wire that was originally attached adjacent to the terminal end. I bolted that wire into the clamp and attached it to the positive side. The car has started several times but the battery light is still on. Please advise









