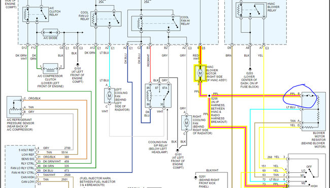
Sunday, October 25th, 2020 AT 3:33 PM
I've changed the blower fan, resister, control knob and switch, checked the fuses and switched out relays. Still can't get A/C to work. If you run a ground from the purple wire going to the blower motor it kicks on.





