Monday, November 15th, 2010 AT 7:53 PM
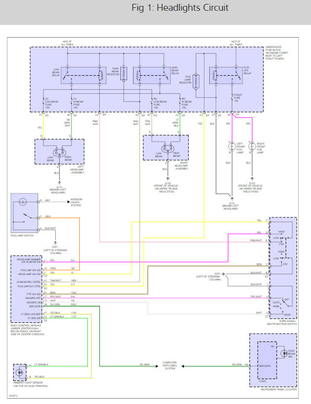
I have brights, tail lights, parking lights, but no headlights. With the auto lights on or off the regular lights will not come on. I have checked all fuses under the hood and in the car.














