Tuesday, January 11th, 2011 AT 2:28 PM
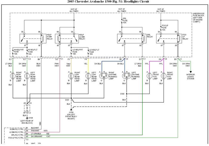
I have the exact same issue as Randoger who posted "2005 Chevy Avalanche gremlin high beams" in January 2008. My high beams on my 2005 Avalanche come on when turning the ignition off. Day time or night. Sometimes they go off by themselves but will come on by themselves after several hours. No tail lights. No perimiter lights no low beam lights. Just the high beams. For now I have taken the fuses out that control them. No problems since then of course. Any ideas for the cause or method to track it down. Was this issue ever resolved for Randoger.I know the issue is 3 years old but am hopeful that a solution was found.



