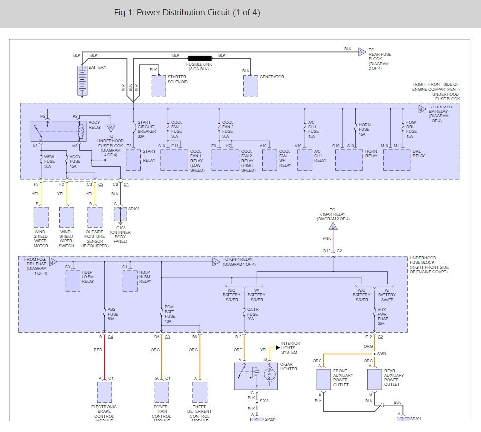
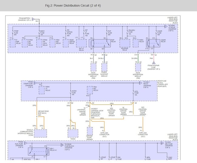
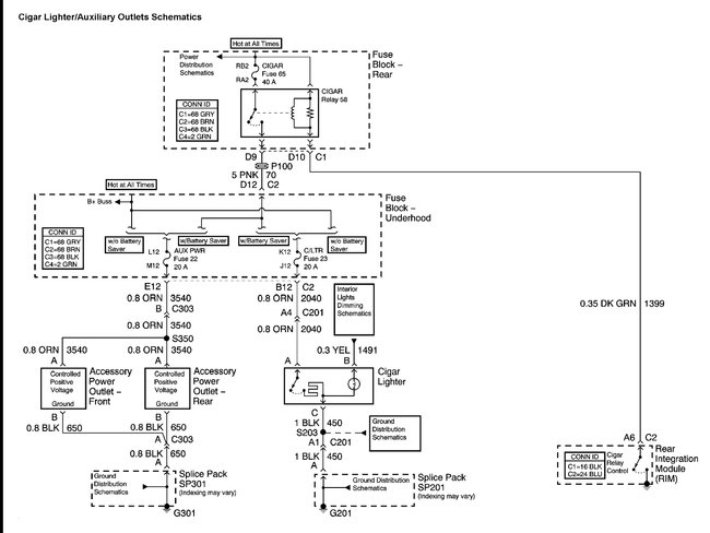
My model does not have anything in the Cigar. Mini Relay slot. Do you have any other diagnosis suggestions for this issue? Yes, I looked under the left rear seat and found that position #58 is empty. I acquired the car 6 month ago. The cigar. And aux. Power worked until last week. Thanks.
Tuesday, February 22nd, 2011 AT 5:12 PM











