Friday, January 6th, 2012 AT 11:47 PM
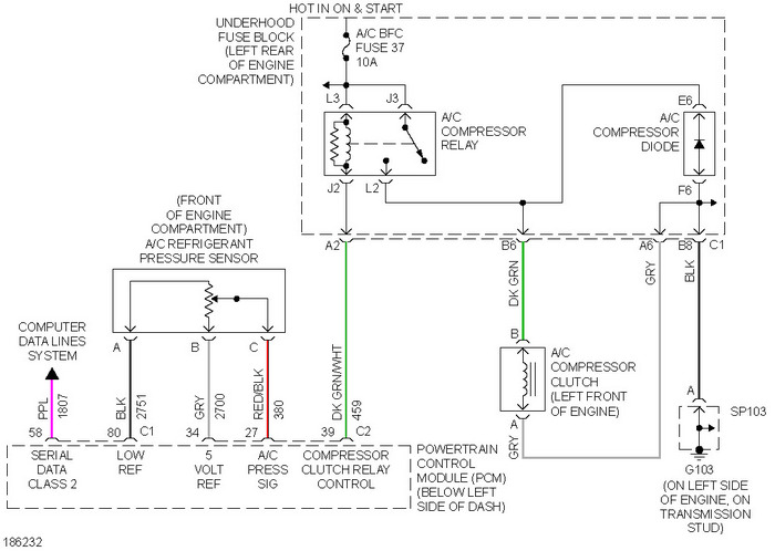
This fuse keeps popping when it rains and then the car will not start until you replace this fuse. Would like to know what this fuse is for so that I can get whatever is shorting out repaired.



