Saturday, February 27th, 2021 AT 3:23 AM
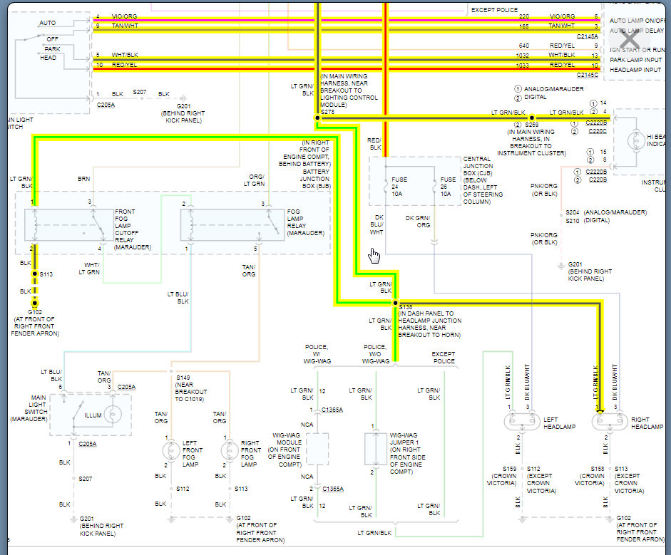
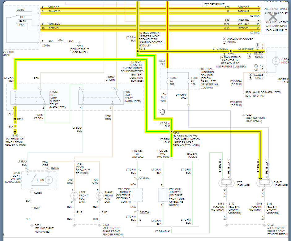
I replaced the LCM, the lights kept cutting off. But before that I bought a Doorman Bypass and used it for day. I do not recommend it. But, I had problem with it. It kept my lights on all positions even on the off. Well I figured that I should just dive in and buy a new LCM. So I did. It's been a week and now I'm having same problem. Maybe it could be I'm switching the lights to quick to off? I don't know but the headlights will remain on. I can shut the car off and sometimes the lights will kick off. But, I am leaning towards the light switch (on/off) itself is getting bad.



