Saturday, February 4th, 2012 AT 5:09 PM
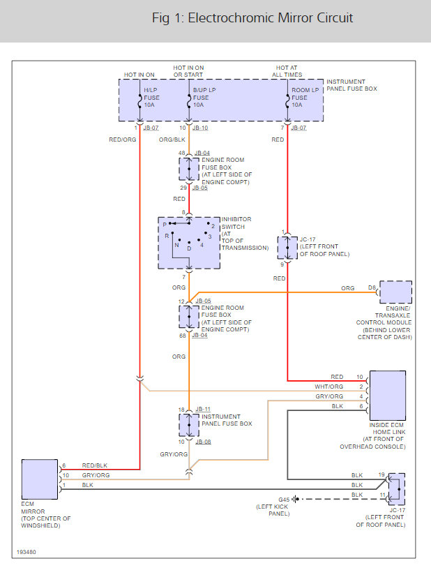
2004 KIA Amanti rear view auto dimming mirror not working. Is there a fuse that could be bad? No indicator light comes on on mirror?














