Thursday, January 6th, 2011 AT 10:03 PM
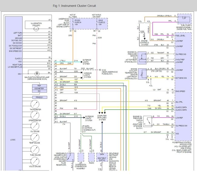
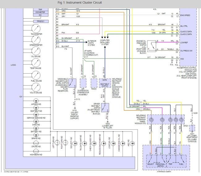
My dash gauges drop out to zeros. Oil pressure, battery, temp, and gas gauge. It acts like a short in the grounding system. Located on the right side possibly.

