Sunday, November 11th, 2012 AT 5:56 PM
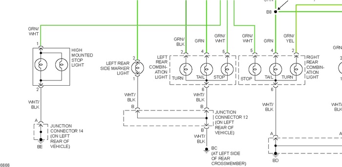
I have no brake lights. All others work and I have already checked the fuse and it is good. Is there a relay? Or does this indicate it is the brake switch?

