Sunday, May 22nd, 2011 AT 6:19 PM
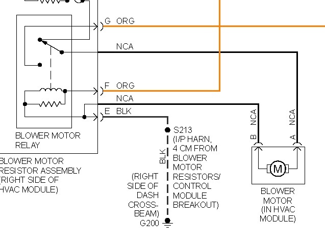
I have replaced resistor. Fan motor does not work on speeds 1-4 and is also affecting the day-time running lights. Checked all fuses and circuits. All good Checked ground-no problems This is on a 2003 Pontiac grand Prix Could you help?

