Thursday, January 20th, 2022 AT 7:36 PM
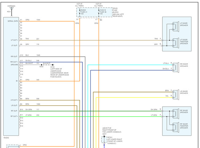
Hi, I am looking for a car side radio wiring diagram for the vehicle listed above LT 4x4 with OnStar and base radio with rear radio. Also, and advice do's and don'ts much appreciated. Thanks for your time.







