Monday, December 30th, 2013 AT 1:21 PM
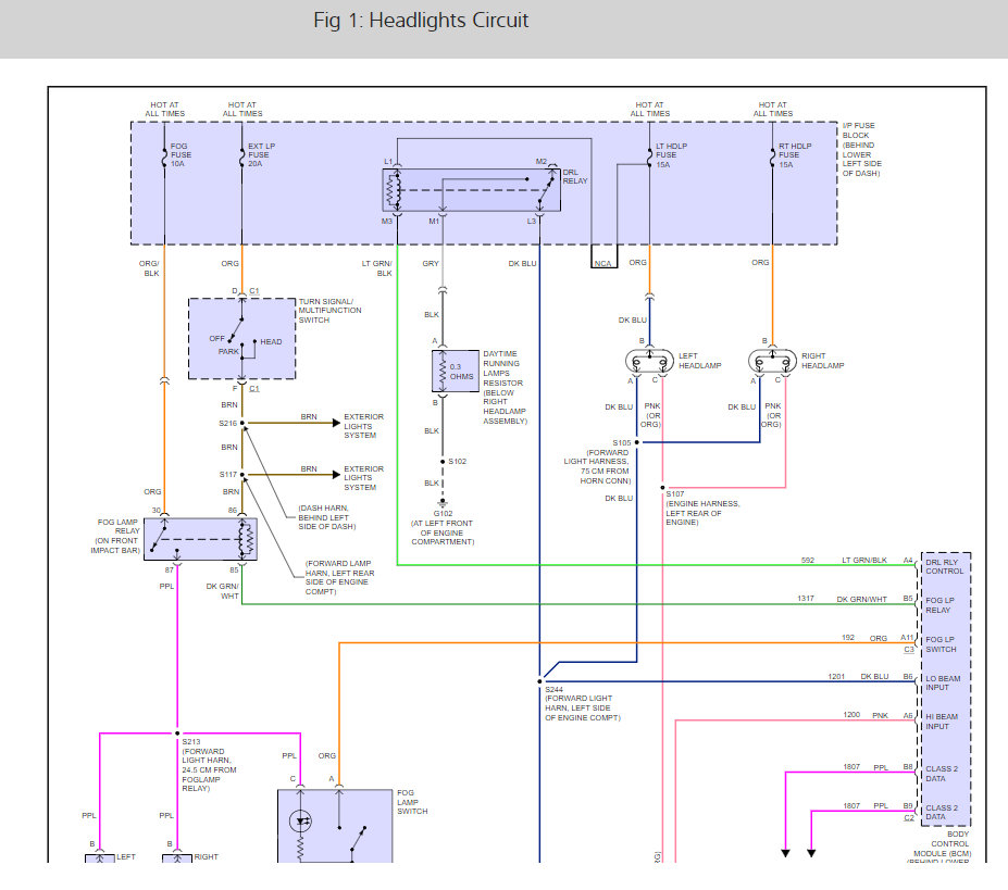
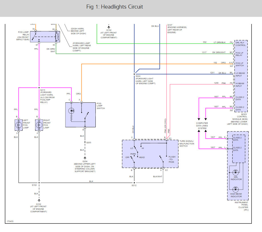
My low beam and high beam lights are not working. Can you supply a diagram of the Ground Wiring? How do I find the headlamp ground wiring?







