'03 park ave

Tiny
MICHMECH45
  • MEMBER
  • 2003 BUICK PARK AVENUE
  • 150 MILES
'03 park ave. Compressor doesn't come on after dealer engine change. Relay is good, fuse good, 12v present at both. A/c clutch supplied 12v and ground - clutch works. System is still charged. 12v present at both terminals of compressor plug (no ground)
Monday, May 7th, 2012 AT 2:19 AM

13 Replies

Tiny
ASEMASTER6371
  • MECHANIC
  • 52,796 POSTS
Need more info

Roy
Was this
answer
helpful?
Yes
No
Monday, May 7th, 2012 AT 2:28 AM
Tiny
MICHMECH45
  • MEMBER
  • 8 POSTS
Like what?
Was this
answer
helpful?
Yes
No
Monday, May 7th, 2012 AT 2:30 AM
Tiny
MICHMECH45
  • MEMBER
  • 8 POSTS
Did my entire question come thru to you? I thought I was pretty thoroug
Was this
answer
helpful?
Yes
No
Monday, May 7th, 2012 AT 2:31 AM
Tiny
ASEMASTER6371
  • MECHANIC
  • 52,796 POSTS
No, it did not

Roy
Was this
answer
helpful?
Yes
No
Monday, May 7th, 2012 AT 2:40 AM
Tiny
MICHMECH45
  • MEMBER
  • 8 POSTS
03 Buick Park Ave. A/c compressor doesn't come on after dealer engine change. System wasn't opened and is still charged - verified. I've checked the fuse and relay both test good. I hot wired the clutch and it works. There is 12v present at BOTH terminals of the compressor connector. Shouldn't one be a ground? Why would the ground show 12v+?
Was this
answer
helpful?
Yes
No
Monday, May 7th, 2012 AT 2:46 AM
Tiny
ASEMASTER6371
  • MECHANIC
  • 52,796 POSTS
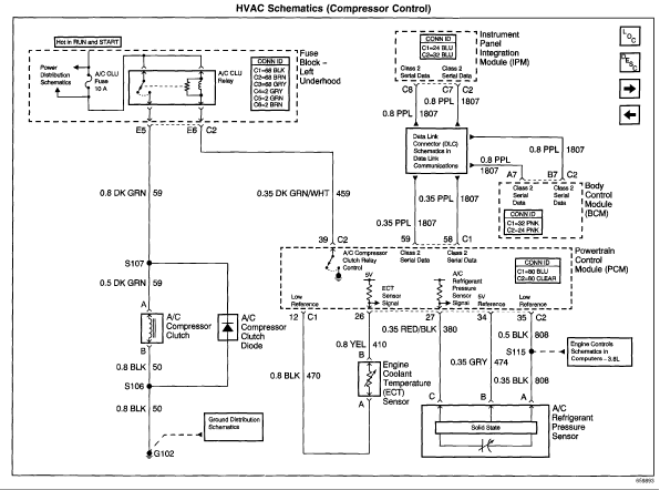
Because it is not grounded. I will check a wire diagram and see how it is grounded.

Roy
Was this
answer
helpful?
Yes
No
Monday, May 7th, 2012 AT 2:51 AM
Tiny
MICHMECH45
  • MEMBER
  • 8 POSTS
Could you please tell me where the ground is located too? I've seen the wiring diagram but don't know where the physical location is.
Was this
answer
helpful?
Yes
No
Monday, May 7th, 2012 AT 2:55 AM
Tiny
ASEMASTER6371
  • MECHANIC
  • 52,796 POSTS
It is grounded by the pcm.

Roy
Was this
answer
helpful?
Yes
No
Monday, May 7th, 2012 AT 2:58 AM
Tiny
MICHMECH45
  • MEMBER
  • 8 POSTS
As in next to the pcm or internally by the pcm?
Was this
answer
helpful?
Yes
No
Monday, May 7th, 2012 AT 3:02 AM
Tiny
ASEMASTER6371
  • MECHANIC
  • 52,796 POSTS
Internally.

Roy
Was this
answer
helpful?
Yes
No
Monday, May 7th, 2012 AT 3:09 AM
Tiny
MICHMECH45
  • MEMBER
  • 8 POSTS
Oh great. Problem could be with almost anything. This is beyond my ability to troubleshoot. I'm a state licenced mechanic with 27 years of experience but electrical / electronic issues are not my speciality. 27 years ago things were much easier to work on.
Was this
answer
helpful?
Yes
No
Monday, May 7th, 2012 AT 3:20 AM
Tiny
MICHMECH45
  • MEMBER
  • 8 POSTS
I think you don't know what your talking about. I'm flagging your reply for review. After studying the diagrams for power and ground distribution I find that theres an awful lot you've left out like splice packs and ground points. Also there is no direct connection between compressor ground and the PCM. At least you've gotten me to study the skematics.
Was this
answer
helpful?
Yes
No
Monday, May 7th, 2012 AT 3:42 AM
Tiny
DJCL
  • MECHANIC
  • 767 POSTS
The computer does not control the ground on this car. It controls the relay that sends 12 volts out to the comp. It sounds like the relay is bad. Its not passing all the curent to the clutch. If you gave it 12 volts and used the ground that is there. And the clutch ran than the ground is good. Replace the relay or swap it with one of the others in the car.
Was this
answer
helpful?
Yes
No
Monday, May 7th, 2012 AT 10:52 AM

Please login or register to post a reply.