Monday, July 9th, 2012 AT 5:00 PM
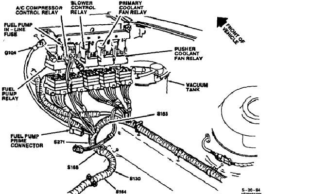
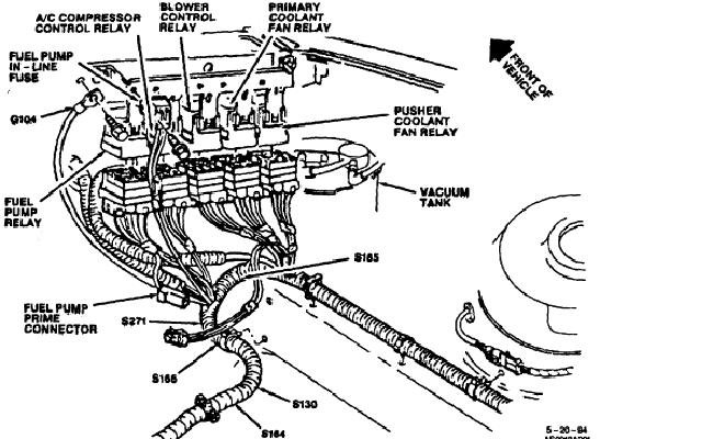
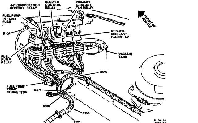
Has no power at Fuel pump relay. The relay coil has power and comes on. There does not seem to be any power supply for the pump to run at the relay. I can supply fuel pump with voltage from the battery and fuel pump comes on.
















