Monday, January 17th, 2011 AT 5:03 PM
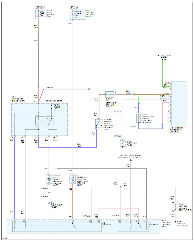
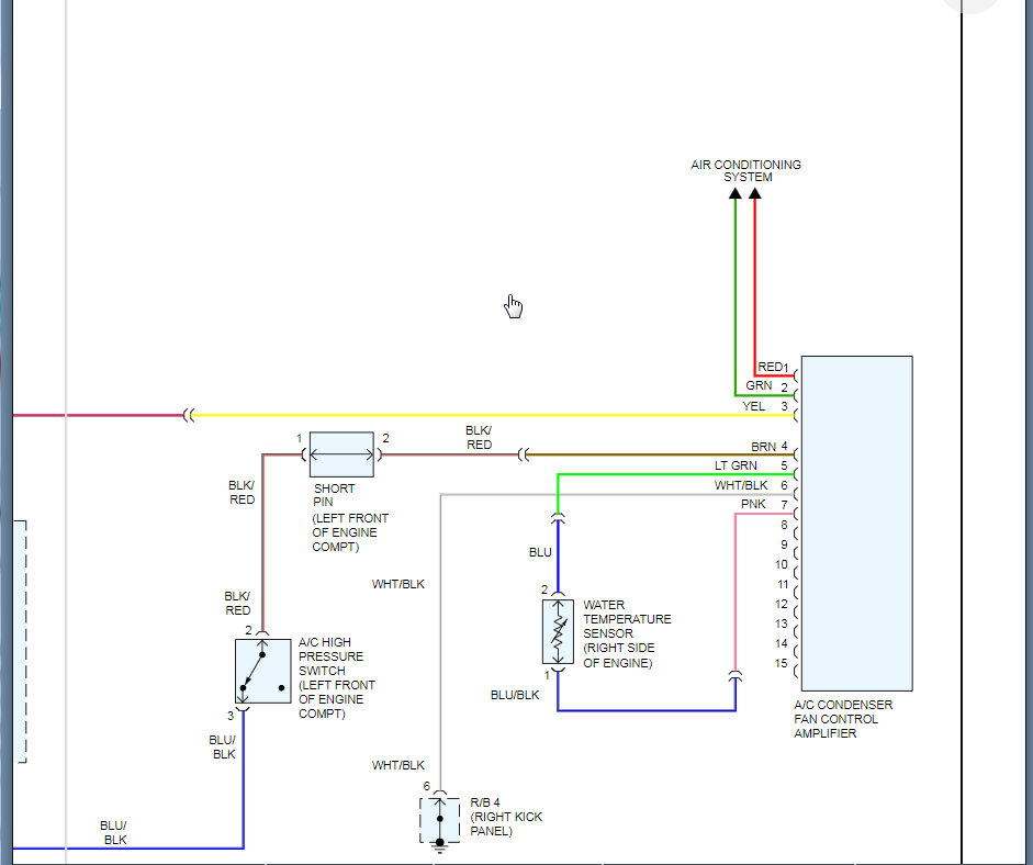
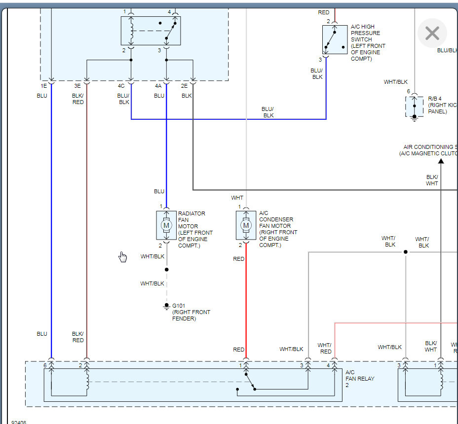
One of the cooling fans on my 2002 camry 6-cy doesn't operate. Facing engine from front the right fan operates when the air is turned on, the left does not operate under any circumstances. I figure this to be the cause of several overheating episodes this past summer. With the cooler weather we're experiencing I don't seemed to have an issue. I still lose water from the raditor which I figure to be from not running with antifreeze and using regular water which evaporates?





