Monday, January 24th, 2011 AT 2:30 PM
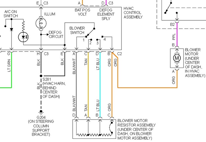
My heater blower on 2002 Sunfire only works on high. Changed 30A fuse twice under hood and also changed blower resistor. What else could it be?


