Sunday, September 6th, 2020 AT 6:25 PM
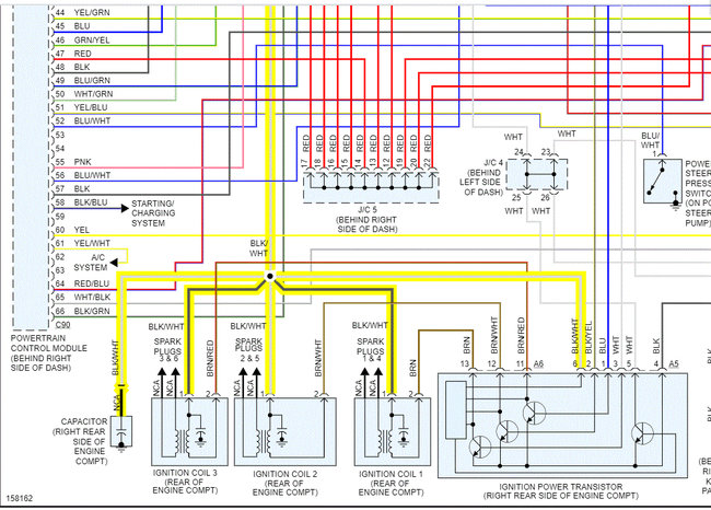
Vehicle listed above is the Sport model. I was driving down the road and it just shut off on me. Now it will turn over but not start. Put a new fuel filter on and new camshaft sensor. The it's not getting spark to spark plugs or no fuel. When they took the fuel pump out and direct wired it it was pumping fuel. So what else could we might check? Please can someone help me? Thanks








