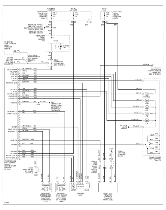
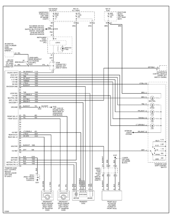
I checked the sensors and there is no power I checked all the fuses and they are fine. This is really making me mad
i got the dash lights back on so know all I have to worry about is this 4wd it seems like trailblazers have issues with 4wd problems I had a 99 chevy s10 zr2 and it had 4wd problems I think chevy needs to relook at this known problem and recall them all.
No there is no power to the actuator. I turn the new switch and nothing happens I checked the power to the actuator and there is no power at all. Fuses are good
Tuesday, November 23rd, 2010 AT 1:53 AM
















