Thursday, February 14th, 2013 AT 9:23 PM
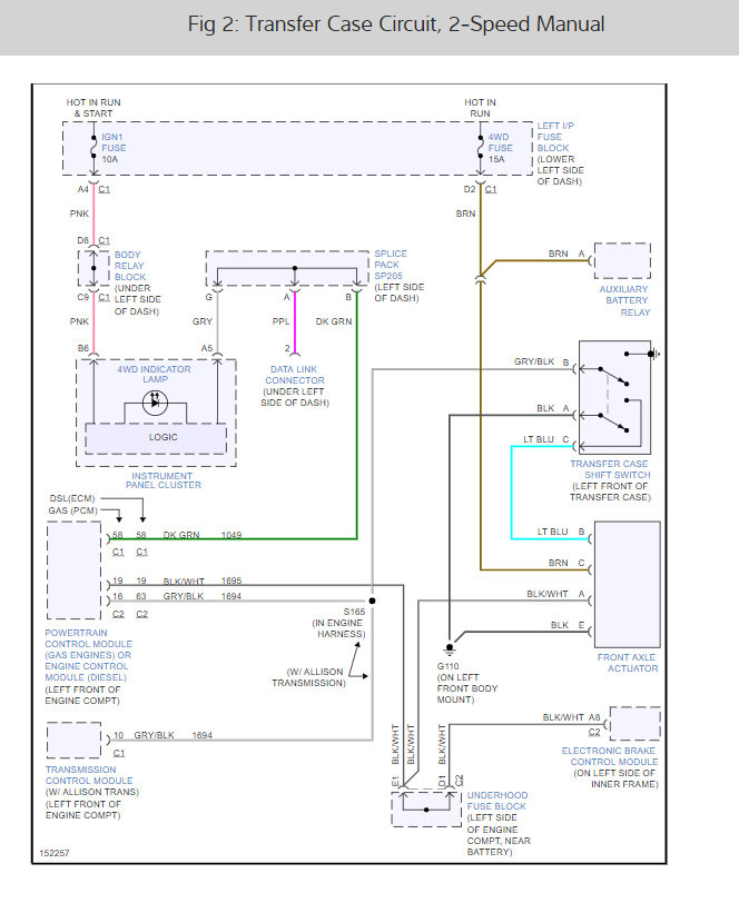
4wheel drive will not engage. Dash indicator light indicates it is engaged. I suspect actuator or x-fer case motor. Is there any way to determine/test which one it is? I lost the 4 wheel drive going about 35 MPH in 4HI in a snowstorm. I appreciate any info you can give me. I don't want to just start replacing parts. Thank You













