Wednesday, December 30th, 2020 AT 7:24 AM
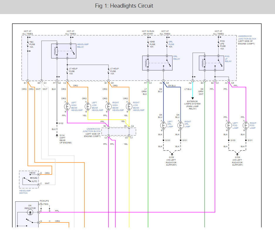
When I turn my truck on while headlight dial is on automatic sometimes only one headlight will turn on. It seems to alternate which one some days. If I manually override and turn them off by pressing a button repeatedly to turn off I can then usually turn both headlight on by rotating the dial switch to the on position. Does any one know the cause of this or a solution?









