Saturday, June 21st, 2014 AT 6:23 AM
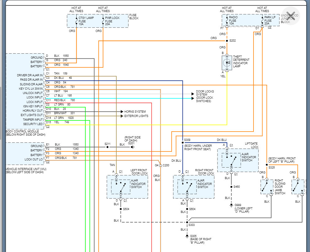
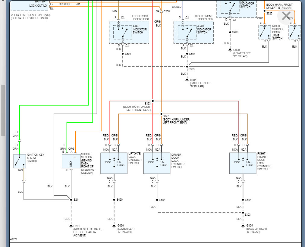
I have an '01 Pontiac Montana, I have just drove from Georgia to Florida and everything was fine. No problems what so ever. But after I parked for about 30min I had to go to the store, upon reaching the store I turned off the car and opened the door. But the radio did not turn off as it should have so I turned it off using the power button but when I tried to lock the van with the remote it wouldn't lock. I also tried the buttons on the door(both sides) and they failed to lock them too. When I got home I unhooked the battery in hopes that it would reset the computer but it still does the same things. Any suggestions as to what might be causing this?





