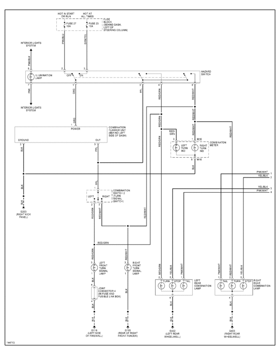
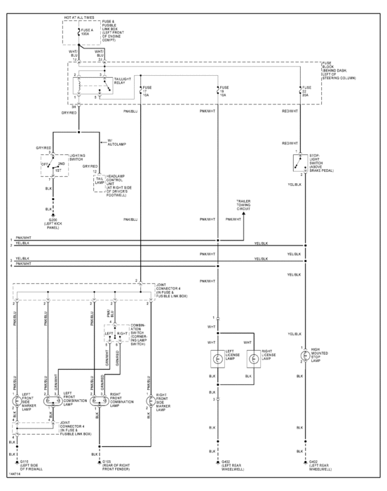
Thursday, February 16th, 2012 AT 12:29 AM
Replaced all bulbs. Third Brake light works. Right and left will not. Checked all fuses but cover is missing and I do not know the exact location of the brake light fuse. Replaced brake switch as well.



