Sunday, January 8th, 2012 AT 1:02 AM
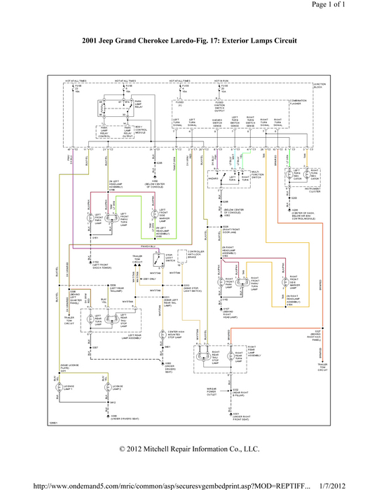
The left rear brake light went out on my 2001 jeep grand cherokee. I replaced the bulb and then the socket. The brake light works but wwhen I turn on the lights and hit the brake the tail light and brake light on the left side go completely out. All other lights work fine.


