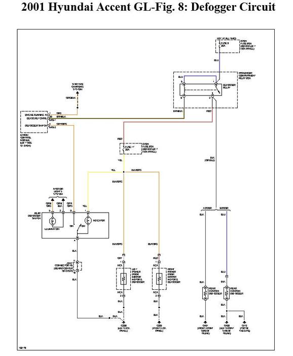
I have a Hyundai Accent l.01. I have problem with rear fog lamps.
Does enybody have Car program (alldata, microcat hyundai.) For hyundai.I need electric scheme for rear fog.
I wonder what is the sequence of elements that the bulb lit?
battery-fuse-relay switch, a light bulb?
Perhaps some additional element? (Simple diode)?
thanks
Friday, August 31st, 2012 AT 7:01 PM





