Thursday, March 17th, 2011 AT 11:51 PM
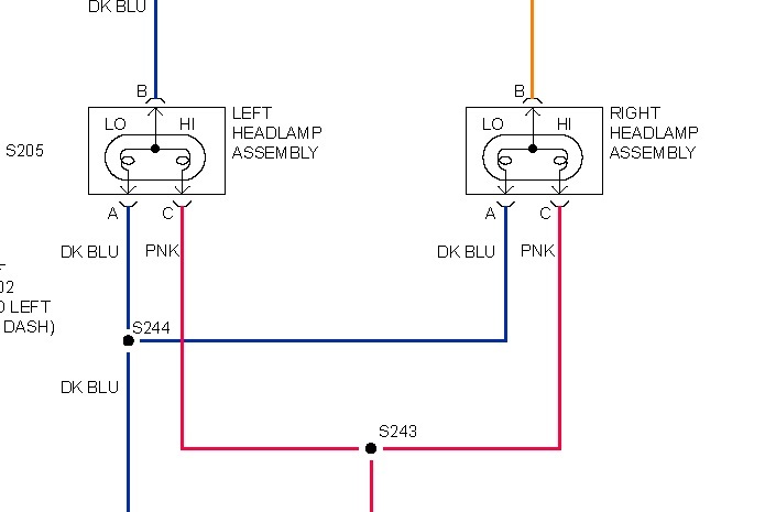
I have a 2000 pontiaic sunfire that I can get the low lights working but do have day time running lights but the light in the dash for the DRL will flash once in a while, I have checked fuses and bulbs and all are good any one can help?


