Thursday, January 27th, 2011 AT 10:00 PM
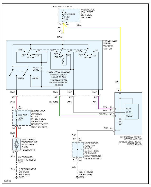
Had the 2000 silverado in to the shop because I had no 4 wheel drive, window wipers, or defrosters. They changed a relay and said if it did it again it would need a new ignition switch or harness. I changed the harness and the relay under the hood for ignition. Still no 4 wheel or defrosters or wipers. Am I changing the wrong relay? The wiring harness was a mess. Someone had been into it before I got it and patched and spliced everywhere. It starts and runs good but no 4 wheel etc.


