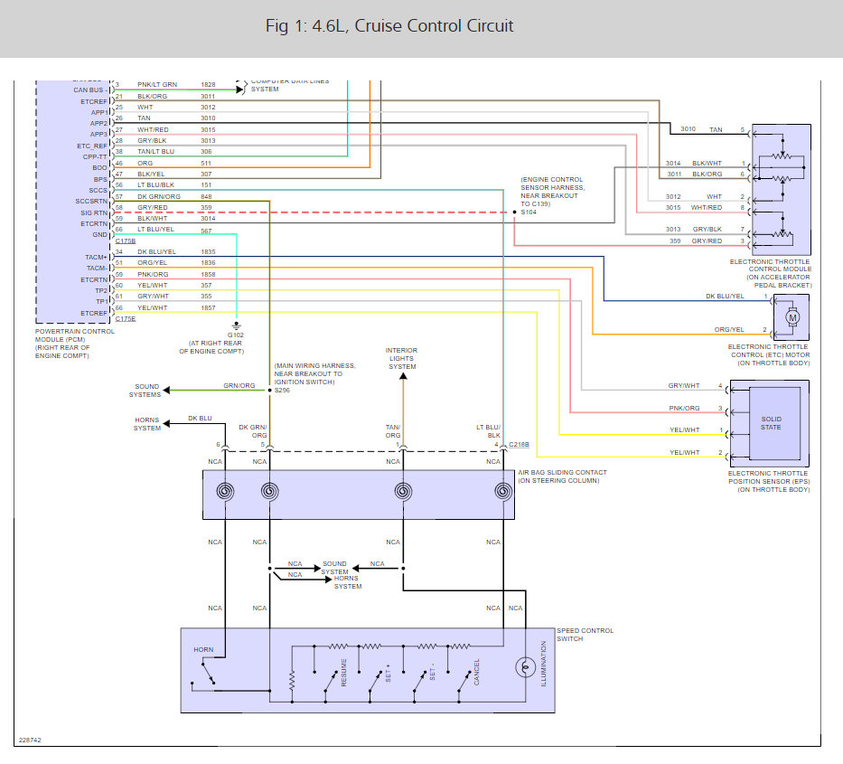
The first problem is my cruise control; it was working intermittently for a while but has now completely stopped. And I mean it does not turn on at all, when the green cruise dash light has ever come on there have been no issues. It is turning it on in the first place.
I have a multi-meter but I have never used it as I am very inexperienced with electronics.
Tuesday, November 7th, 2017 AT 7:30 AM




