Monday, March 14th, 2011 AT 12:15 AM
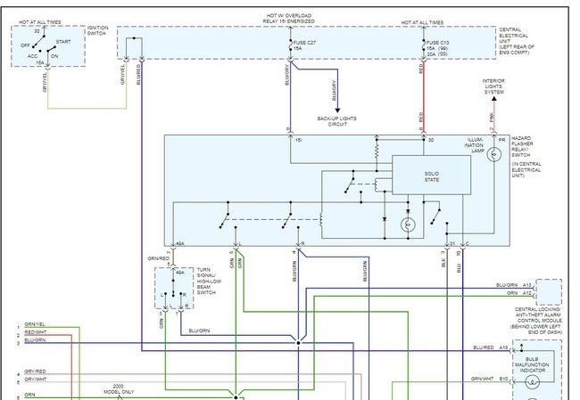
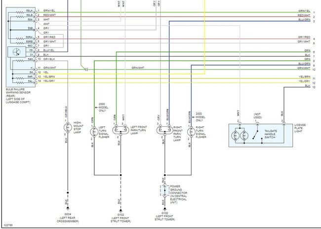
My volvo 1999 s70, the left/right signal light will work for around 30 seconds tops, and then altogethe "STOP" working. But whats funny is that the double flashers work




