Wednesday, April 8th, 2015 AT 1:44 PM
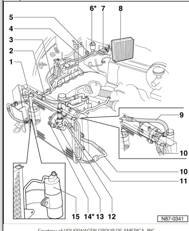
I work on commercial air conditioners my wife recently bought a 99' VW beetle and the ac didn't work I vac'd out the system down to 29" wc started adding 134a Freon the pressures are right to cool but it doesn't cool at all. What kind of expansion device is on this car and where is it?



