Monday, January 17th, 2011 AT 4:16 AM
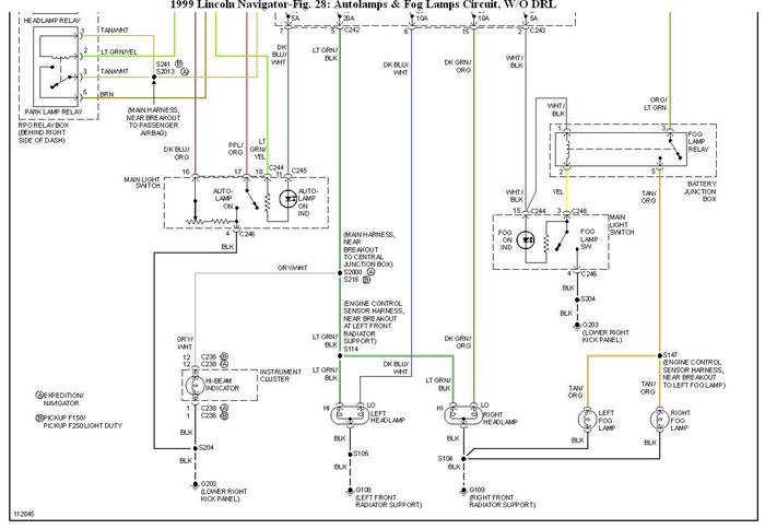
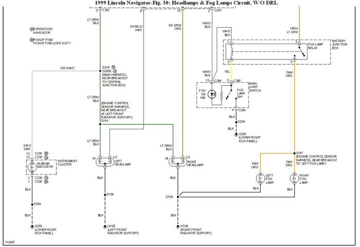
I have a 1999 Navigator. The headlights quit working. The parking lights work but will not turn of with the switch unless I re-start and turn off while engine is running. All the fuse's are good and the bulbs were replaced.




