Sunday, September 30th, 2012 AT 9:55 PM
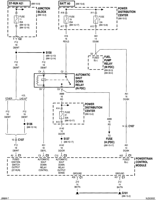
Hi I have a 1999 jeep grand cherokee laredo I went to hook up a wire into the fuel pump relay witch actually runs the fuel pump cause there was a short in the fuel pump wire some were so I wired it that way. And then I went to hook another wire up to the same one and went to start it and it wouldnt start and all the guages are not working but the fuel pump is still working


