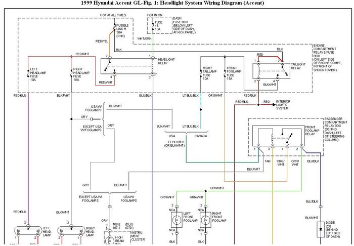
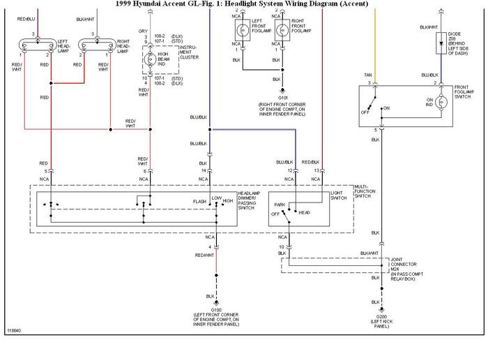
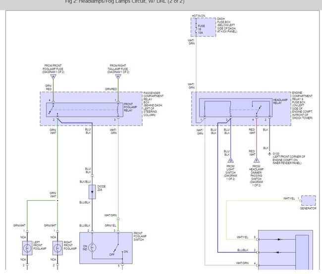
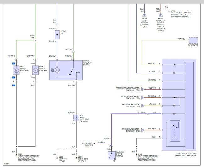
Friday, January 7th, 2011 AT 12:50 PM
I have a Hyundai Accent 1999 and when was driving last night, suddenly the both low beam headlights stopped work at the same time. High beam headlights works, but low beam headlights does not. I checked bulbs, fuses and I can't find the problem. Can you help me please solve this problem?








