Monday, August 27th, 2012 AT 6:04 PM
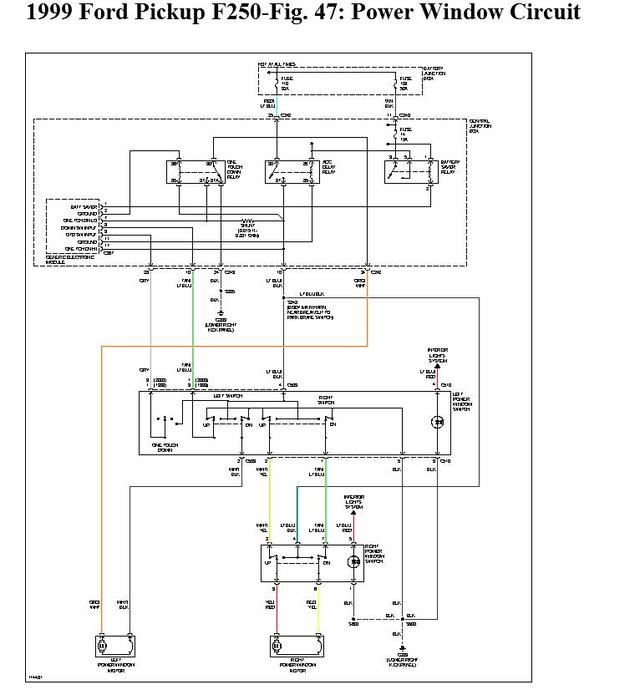
Electric windows on a ford f250 will go down but wont go back up so unplugged switches hate it I want my windows to work again its a hassle help me please. Have taken it to he glass place and they stated the motor and regulator is fine



