Sunday, July 17th, 2011 AT 10:34 PM
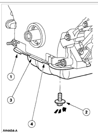
I have a rattle in the engine compartment when I first crank it up, or when there's a need to accellerate hard. I was told I may not have to change my timimg chain it may just be the tensioner. Where can I find video's or photo's of the timing chain/tensioner being removed/installed on the 1999 5.4ltr F-150. I've located the instructions, but remain skeptical about using them, because it doesn't mention anything about the camshaft alignment or turning the engine to TDC before removal.





























