Thursday, February 13th, 2014 AT 5:41 PM
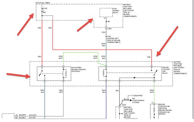
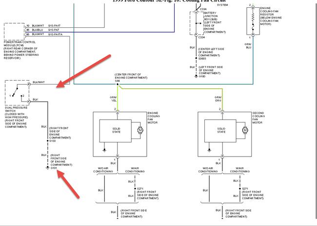
I own a 1999 Ford Contour se I recently had a blown head gasket replaced head gasket timing belt water pump thermostat housing thermostat temp sensor o2 sensors valve cover gaskets basically tore apart and rebuild except for rings and pistons and lower bearing stuff upon a nature. After running the car for awhile at least half hour the temperature gauge barely read above cold used an infrared thermal gauge and the radiator hose Read hundred ninety five degrees the radiator itself read 195 degrees the thermostat housing reads 195 degrees the engine block reach 220 but the fans never kick on and the water never transfers from radiator to engine engine to radiator I did however remove the coolant reservoir cap and it seemed to release of vacuum allowing the water transfer into the reservoir and the fans to kick on I replaced the reservoir cap but still seem to have the same issue I did use a ohm meter and I do have resistance to the sensor I have resistance through the sensor plug I have a brand new thermostat twice still not 100 percent sure what my issue is but when I did release the pressure in the reservoir the temperature gauge did rise as the coolant transferred from the engine to the radiator and to make sure I clarify I do have heat the heater works great


