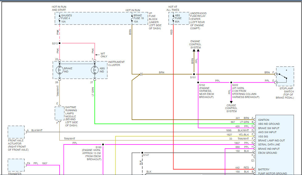
All 3 brake lights are not working. fuse is good,bulbs are good, changed brake light switch...still not working, hazard lights do not work. tail lights work when headlight switch is on,interior lights work. what else could it be?
May 3, 2014 at 4:00 PM


