Tuesday, October 14th, 2014 AT 1:14 PM
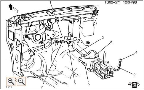
Have melted wires in the floor console. Need to re-wire everything. The wires inside the console are Pink.D. Green w/ white stripe. Gray. Yellow.L. Green w/black stripe. And black. I know the gray is the positive wire for the shifter indicator light and the black is for the ground. I have no idea where the other 4 hook up to. They go thru the firewall. I need to run all new wires. I have fixed the problem that caused it. It's a close friends truck so I don't have a book on it and my s10 pickup's book will not help.






