Monday, February 20th, 2012 AT 6:19 PM
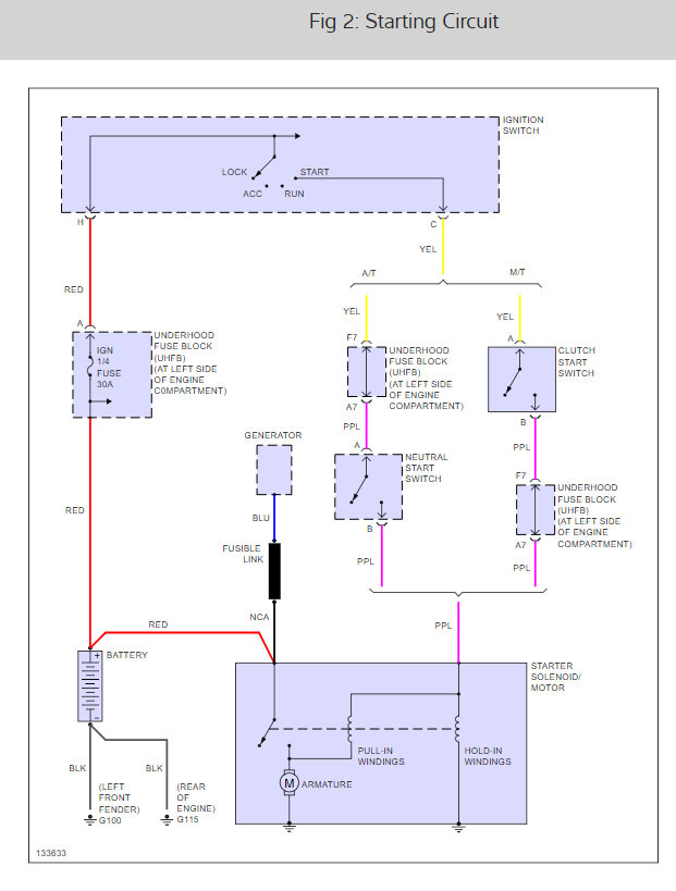
It is part of the engine management & ignition system located somewhere between the ignition switch and the starter. Under dash, under hood, on firewall?


