HOME
ASK A QUESTION
REPAIR GUIDES
BECOME A MEMBER
LOG IN
Login with Facebook
OR
Remember me
NOT A MEMBER?
FORGOT PASSWORD?
CONTACT US
PRIVACY POLICY
TERMS AND CONDITIONS
☰
Home
All Other Makes
All Other Models
Trouble Codes
P Codes (Powertrain)
P0100 - P0199
P0139
Tengo un problema con mi Dodge, Neon Sedan, quiero Saber d donde resibe los pulsos la bobina
MANUEL OROZCO
MEMBER
1995 ALL OTHER MAKES ALL OTHER MODELS
17,611 MILES
Esk el carro tiene un fallon y no trabaja normal le saque codigos y me da el codigo po351 y po139
Monday, December 12th, 2011 AT 4:33 PM
1 Reply
RIVERMIKERAT
MECHANIC
6,110 POSTS
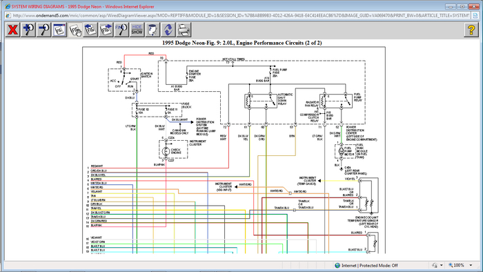
P0139-Downstream O2 sensor slow response.
P0351-Ignition coil #1 primary circuit.
Està una problema con el nà mero uno de la bobina de encendido y el sensor de oxà geno después del convertidor català tico.
Esperamente entiendas esquemas de cableado
Images (Click to make bigger)
Was this
answer
helpful?
Yes
No
Tuesday, December 13th, 2011 AT 3:20 AM
Please
login
or
register
to post a reply.
Related P0139 Content
Does Dodge Obd1 Have A Way To Check For Open/closed...
I Can Jump The Pins On The Aldl Of An Old Gm With The Engine Running And Tell If It's In Open Or Closed Loop. Can The Same Be Done With A...
Asked by
buddycraigg
·
4 ANSWERS
ALL OTHER MAKES ALL OTHER MODELS
Ask a Car Question. It's Free!
How to Read Codes
Code Read Retrieval/Clear Mercedes-Benz C230
Is it Safe to Drive Check Engine Light?