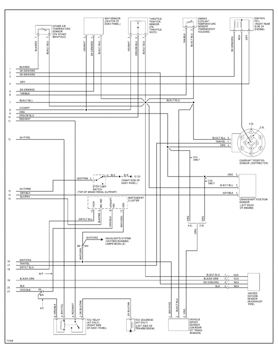
Saturday, December 31st, 2011 AT 9:26 PM
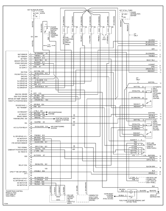
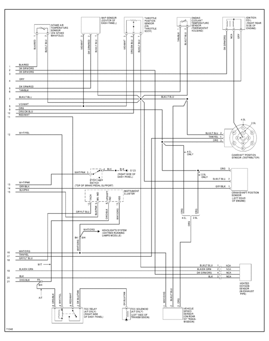
Was told by garage that my wife's jeep needed a fuel pump. I installed new fuel pump and strainer. Changed fuel pump relay. Jeep still will not start. When relay energizes fuel pump comes on, jeep will start. Have to wait for relay to energize, about 15 minutes. Not sure what to look at next.



