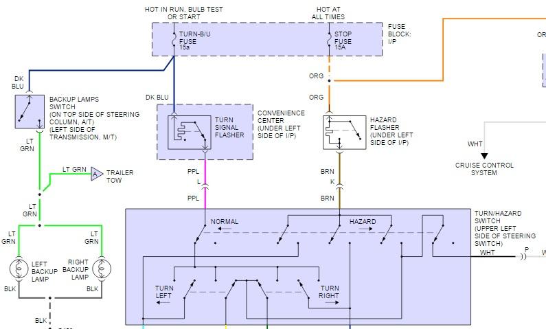
I have a 1994 GMC Yukon, 2 days ago the turn signals stopped working. When I move the switch the turn signals do not turn on, nothing happens, the ticking indicator noise does not come on, the indicator lights on the dashboard don't come on and the turn signals themselves do not turn on. I have no idea what this could be. I basically just need help determining why this is happening and to possibly find out how to fix it
Nov 28, 2015 at 4:09 PM

