Friday, July 19th, 2013 AT 5:56 PM
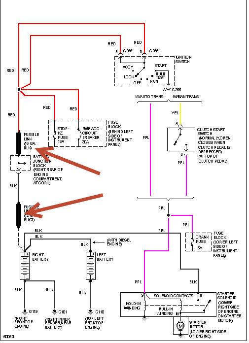
7500 gmc topkick with 366 engine wont start. Had starter tested-it was ok, had battery tested-it was ok, checked all fuses in box-it was ok. Tested power cords to battery, instrument panel is working not sure what I am missing. Thx e


