Thursday, January 20th, 2011 AT 6:34 PM
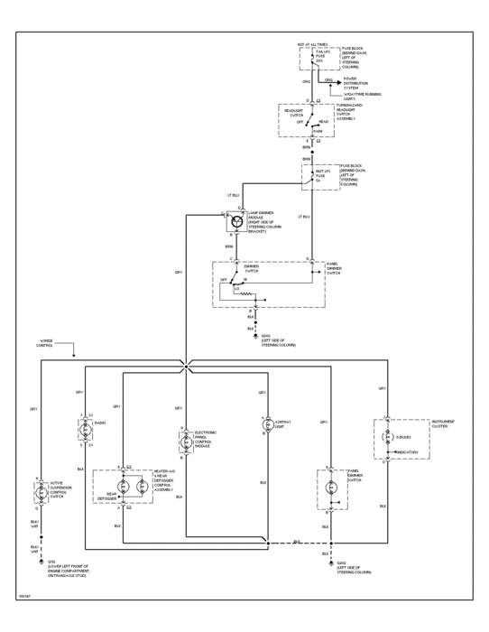
Is anyone able to provide me a detailed schematic of the Olds Achieva (1993 2.4L) marker lights circuit. I have the rear marker lights out but brake and turn signals work. I have checked bulbs and have no voltage to marker light pins in the 5 pin connector at tail light module. Also, dash lights are out. I suspect the switch (turn signal multi-function) has an open. The front marker lights work tho' and I'm not sure how the circuits are laid out. A schematic would be very helpful as the Chilton's manual I have has really lousy ones.



