Tuesday, January 10th, 2012 AT 4:32 AM
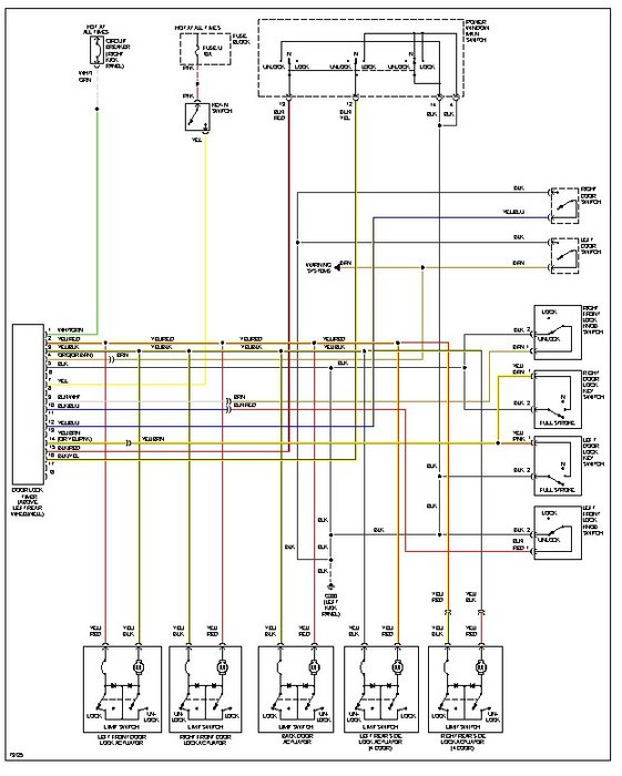
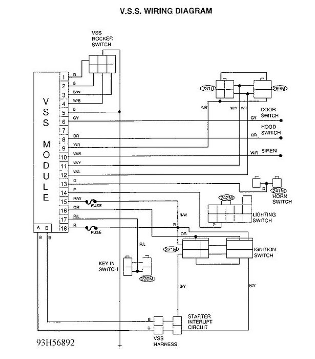
I took my 1993 nissan pathfinder into the show for some repairs I have gotten it back but the security indicator on the center console is flashing very rapidly all the time and the switch as no effect. I have also checked all the fuses. However the power locks also don't work and I am looking for how to fix the light first of all and have the security switch functioning, but then anyway for me to fix the power locks.




