Friday, May 11th, 2012 AT 8:52 PM
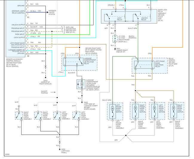
Although the doors lock when in drive and unlock when in park, I cannot use the buttons manually. Yikes, getting old locking all doors in such a huge car. Could it be a fuse? Since my windows work, sometimes lol




