Tuesday, February 19th, 2013 AT 7:15 PM
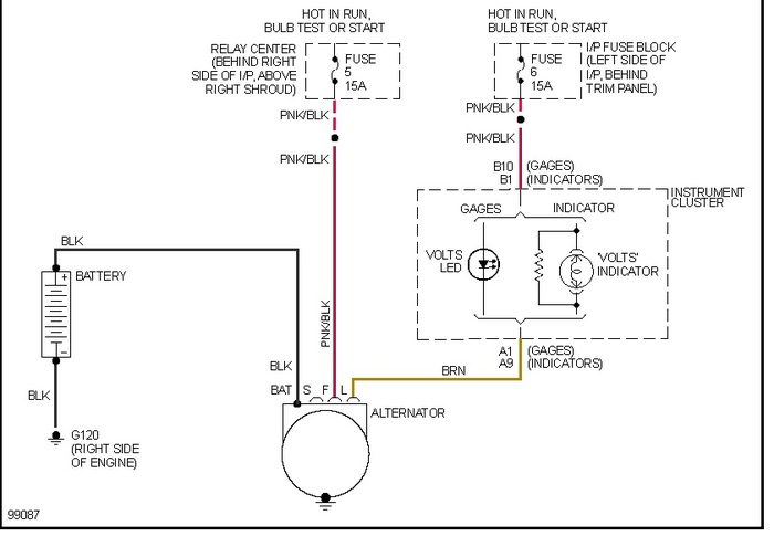
My car is not charging I put a brand new alternator on it and a brand new battery And new cables I recently had to bypass the security system I bought a module and installed it to bypass it Can the that security systems send a signal to my alternator telling it not to charge? And Can low voltage cause the that system to go off?



