Monday, November 4th, 2013 AT 2:57 PM
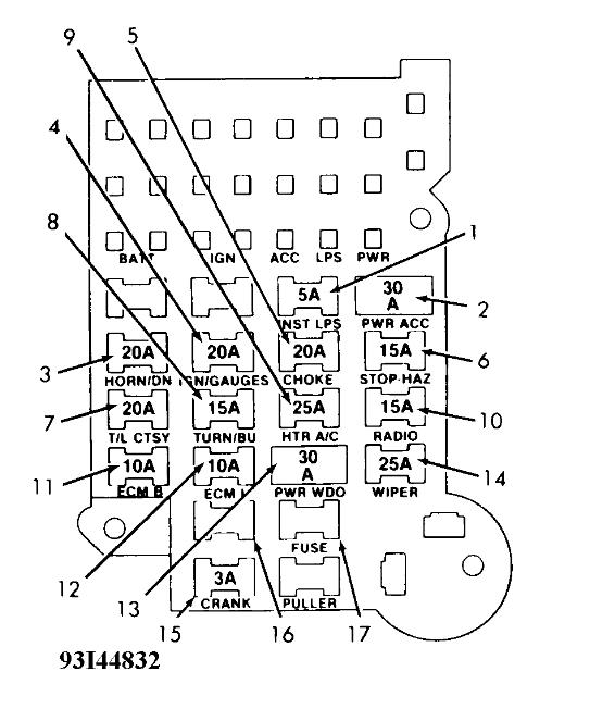
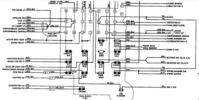
I am trying to find a diagram of the fuse box panel where it shows the fuses and the upper portion of the box any ideas? I have some disconnected wires that I'm having trouble locating where they belong.



