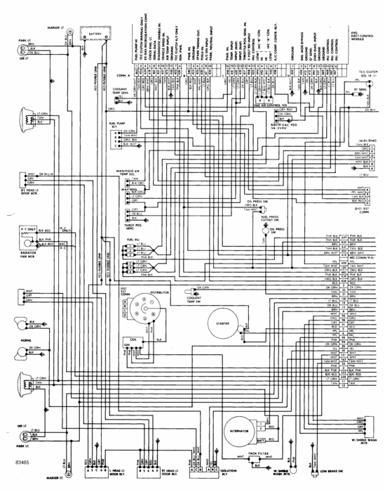
Saturday, August 20th, 2011 AT 2:47 AM
Having problems with the oil pressure gauge going all the way to the right on high pressure. I may have stretched wires at sending unit. It has three wires coming out of sending unit. I may need a diagram not shure what wires are what.



