Turn on the ignition key and the ECU does not bulb test or give error codes unless you momentarily ground terminal 6 whereupon it will give codes (only AC errors) and then won't turn off when the switch is turned off. Dealer won't work on it and Nissan USA knows nothing and doesn't want to help.
Below is attempt to fix summary:
I will first list parts replaced:
ECM 3 times
LED assembly in the distributor
power transistor
cylinder head temp sender (from a trouble code)
coil
EFI relay
timing belt
Things done and checked:
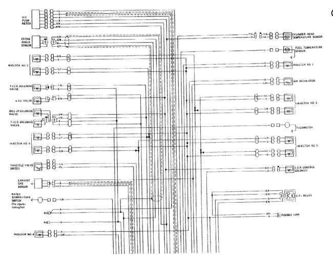
Checked output from dist to ECM, got the 360 signal and 1 other signal (assuming #1 cyl) with a good oscilloscope.
power to + side of coil
power to ECM
All grounds I could find with help from Alldata and an 84 300zx troubleshooting disc.
Condenser between coil from and ground @ dist base
Engine cranks normally, no spark from coil secondary. Checked and found no pulse on - side of coil.
Ignition on, ECM would not boot even with power on the proper pin at the ECM, unless a momentary ground of the #6 red wire at the ECM, from the EFI relay. Once powered up, turned screw to get codes, got 2 relating to the A/C. However, when ignition switch off, the ECM stays powered up (checked for 15 minutes) until ECM physically unhooked from harnesses. I have contacted the local Nissan dealer, and they disavow any knowledge and desire to tackle this, so in my shop it still sits.
If anyone there has any ideas, information or experience with this type problem, I sure would be grateful for help."
And will happily pay for solution
Friday, December 7th, 2012 AT 8:34 PM



